Noticias de la empresa
Inicio / Noticias / Noticias de la empresa / Recomendación de producto | Relé de tiempo estrella-triángulo YX5520
Autor: administrativo Fecha: 12 09, 2025

Recomendación de producto | Relé de tiempo estrella-triángulo YX5520

01 Retardo preciso | Conmutación automática


El relé de tiempo estrella-triángulo YX5520 tiene un rango de retardo ajustable (comúnmente de 0,1 segundos a 30 segundos) y puede configurar con precisión el tiempo de conmutación de acuerdo con la potencia del motor y las condiciones de carga sin intervención manual.


02 Alta compatibilidad|Compatibilidad sin preocupaciones

El relé de tiempo estrella-triángulo YX5520 presenta un rango de adaptabilidad de voltaje ultra amplio y puede ser compatible con entornos de suministro de energía en diferentes países y regiones sin la necesidad de transformadores o equipos de regulación de voltaje adicionales.


03 Circuito de arranque de voltaje reducido triangular (Y-Δ)


El relé de tiempo estrella-triángulo YX5520 reduce el impacto de la corriente de arranque al "reducir el voltaje en el arranque", permitiendo que el motor acelere suavemente en el sistema de circuito; es equivalente a agregar un "búfer" al arranque del motor, protegiendo el motor, el circuito y el equipo relacionado.


04 Panel de productos


El relé de tiempo estrella-triángulo YX5520 adopta un diseño de perilla y está equipado con luces indicadoras LED multicolores para proporcionar información en tiempo real sobre el estado de funcionamiento.


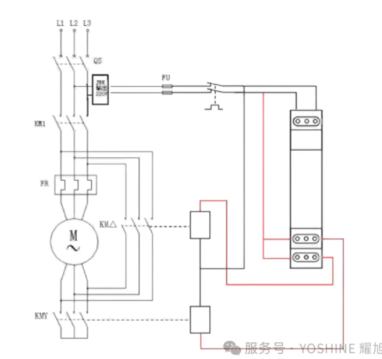
05 Diagrama funcional



06 Diagrama de cableado



07 Dimensión


Compartir:
Contáctenos

Ponte en contacto

  • ENVIAR